众力资讯网

守护直流系统安全:安科瑞 AIM-D系列绝缘监测装置的“防漏”之道

01 引言安科瑞 唐雪阳在电力系统的稳定运行中,直187流系统0210如同6706“心脏供血线”,支撑着继电保护、自动化

01 引言

安科瑞 唐雪阳

在电力系统的稳定运行中,直187流系统0210如同6706“心脏供血线”,支撑着继电保护、自动化控制等关键设备的正常运转。然而,直流系统绝缘性能下降引发的漏电问题,却像隐藏的 “安全隐患”—— 轻则导致设备误动、数据失真,重则引发短路故障,甚至威胁整个电力网络的运行安全。如何精准、实时监测直流系统绝缘状态,成为电力运维领域的核心需求。安科瑞 AIM-D系列直流绝缘监测装置,以创新技术破解这一痛点,为直流系统筑牢 “绝缘防护网”。

02 产品应用背景

随着工业的发展,很多用电设备和工厂设备采用直流系统供电,直流系统的正极和负极不接地。对于不接地(IT)配电系统,应该进行绝缘电阻的监控以保证供电系统的安全运行。AIM-D系列直流绝缘监测仪专门为了直流绝缘监测设计,可以应用在10~1500V的直流系统中,用于在线监测直流不接地系统正负极对地绝缘电阻,当绝缘电阻低于设定值时,发出预警或报警信号。产品可以应用在发电厂家、变电站的直流屏、电动汽车充电装置、UPS供电系统、光伏直流系统、储能系统及其它直流电网等直流系统。

03 产品选型

04 产品外观及尺寸

05 应用场景

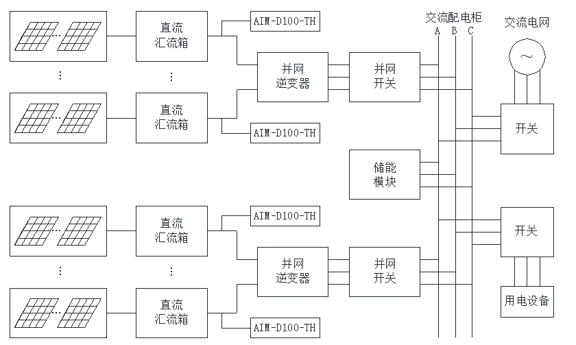
场景1:直流绝缘监测仪在光伏系统的应用

光伏发电供电系统将光能转化成电能,一般包括光伏电池板阵列、汇流箱、并网逆变器、监测仪表和并网开关等。

如图光伏系统中,光伏组件发电汇流后经过逆变器并入电网,逆变器内自带隔离变压器,每个汇流箱前端分为独立系统,对于独立的不接地的直流系统,应装设绝缘监测仪,检测直流母线及支路对地的绝缘情况,当发生绝缘损坏或者单极接地,仪表能够及时报警,提示工作人员对回路进行检修排查故障,防止故障事态扩大引起短路。

场景2:直流绝缘监测仪在直流电源的应用

变电站内监测控制设备采用独立电源,使用直流屏或者交流屏供电。对于交流屏、直流屏,一般采用不接地(IT)配电系统。

如图直流屏接入交流380V电源,电池模块平时处于充电状态,直流屏通过1KM+,1KM-直流母线向监测设备提供电源,当AC380V电源失电后,直流母线使用备用电池继续供电,保障监测设备正常使用。仪表可以监测直流母线和支路的绝缘情况,当直流系统中任意位置发生绝缘损坏或者单相接地的情况,仪表发出报警信号,提示工作人员排查故障。绝缘监测仪的在线监测,可以保障系统的安全性、稳定性和可靠性。

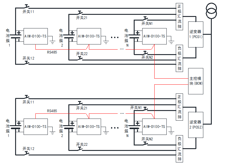
场景3:直流绝缘监测仪在储能系统的应用

储能系统一般由电池柜,、汇流柜、逆变器、配电柜、BMS系统、热管理系统、消防系统等组成。

其中对于电池的监控管理非常重要,因此需要设置绝缘监测装置来监测绝缘。

该示例储能系统中,设置多个绝缘监测仪,但是由于一个系统中多个绝缘监测仪会影响监测结果,因此需要采用控制模块进行控制。系统采用主控模块来控制各绝缘监测仪采用分时控制策略,保证同一时间内只有1只绝缘监测仪在工作,在电池开关断开后,依然可以进行监测,保障系统的安全性、稳定性和可靠性。

场景4:直流绝缘监测仪在直流充电桩的应用

电动汽车充电装置一般由柜体、多个交流转换直流充电模块、智能切换单元、测量仪表、控制器、接触器、充电枪等组成。

该示例为一个双枪120kW直流充电桩。智能切换单元控制充电模块,直流电表测量电流,绝缘监测仪测量绝缘电压,绝缘电阻,绝缘监测由控制器进行控制。当充电桩使用时,单独使用充电枪A或B时,控制器发出命令控制对应IMD1或者IMD2绝缘监测仪先进行绝缘监测;充电枪A和B同时使用时,控制器发出命令控制IMD1绝缘监测仪先进行绝缘监测。通过控制器与绝缘监测仪的协调工作,保障直流充电系统的安全性,稳定性和可靠性。

06 结语

在电力系统向“智能化、无人化” 升级的浪潮中,绝缘监测作为保障直流系统安全的 “第一道防线”,其技术水平直接影响电力网络的稳定运行效率。安科瑞AIM-D系列直流绝缘监测装置,以精准监测、灵活适配、可靠保障的核心优势,不仅解决了传统绝缘监测的痛点,更成为电力系统智能化管理的重要组成部分。

从守护变电站安全运行,到支撑新能源换电站、数据中心等新兴场景的电力安全,安科瑞始终以技术创新为驱动,为电力行业提供更优质的监测解决方案。未来,随着新型电力系统建设的深入推进,安科瑞将继续深耕电力监测领域,以更先进的技术、更完善的产品,为电力系统安全、高效运行注入持久动力。